产品中心
新闻资讯
EPSON晶振包装规格与*小包装数量详解
点击下载完整版:EPSON晶振包装说明
(PDF格式;283kb)
EPSON 目前提供SMD贴片封装和DIP插件式和圆柱型两种安装方式的产品。其中DIP又分为圆柱体(主要是音叉晶振)以及耐焊接热式长引脚式。SMD晶振更适合 SMT高效率表面贴装,尺寸也可以做的更小,因此无论从目前的市场需求以及精工·爱普生原厂现有规格型号来看,贴片晶振已经占据了绝大部分,插件式主要集 中在部分圆柱体音叉晶体谐振器和其他少量型号中。
作为无可争议的晶体晶振,EPSON石英晶振产品线完整,规格型号繁多。电 子工程师以及采购商在设计选项和购买时对包装规格与*小包装数量(*小订单量)咨询的较多。作为爱普生晶振原厂直接授权代理商,南京南山技术部整理了 EPSON频率元件完整产品线的包装信息,仅供参考。如有疑问,欢迎垂询在线客服。
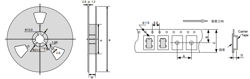
一、贴片晶振包装说明:
如下表所述;符合卷带标准EIA-481 和 IEC-60286

二、圆柱体晶振包装说明:
柱面式产品用乙烯袋包装,每批包含250到1000件。
然后,将1到20袋装入内盒以组成一批。
后,将内盒放入纸箱以便装运。(质量随型号的变化而变化。)
| 型号 | *小包装数量 | 包装说明 |
| C-2 TYPE C-4 TYPE C-002RX C-004R C-005R CA-301 HTS-206 |
500pcs | ![]() |
三、耐焊接热DIP晶振包装说明:
| 型号 | *小包装数量 | 包装说明 |
| SG-531 SG-8002DC |
35件/管 | ![]() |
| SG-51 SG-8002DB RTC-72421 RTC-7301DG |
25件/管 |
- 上一篇:晶体晶振使用注意事项
- 下一篇:实时时钟??樽钚“笆坑牍钜焕辣?/a>
常见问题
-
2020-10-10爱普生晶振样品-EPSON贴片晶振样品免费申请
-
2020-10-10爱普生晶振样品-EPSON贴片晶振样品免费申请
-
2020-10-10无源晶振不起振的解决办法
-
2020-10-10EPSON/爱普生晶振编码规则与型号识别
-
2020-10-10爱普生电子元器件都生产哪些产品
-
2020-10-10精工爱普生陀螺仪传感器简介
相关产品



终端请点