你需要了解的压控晶体振荡器知识
压控晶体振荡器VCXO是提供石英谐振器稳定性的电子组件或???,并且可以进行较小的压控调节。压控晶体振荡器,VCXO在许多需要晶体振荡器稳定性的RF电路中都有用,但是具有拉动或调整它们的能力。贴片压控晶振VCXO之所以得名,是因为晶体谐振器通常被称为“ Xtals”,即VCXO代表压控Xtal振荡器。使用VCXO可以使石英晶体具有很高的稳定性,并可以实现低水平的相位噪声,同时仍可以少量改变或调整频率。
VCXO通常是电子组件,可在需要对信号进行小的可编程调整的情况下使用,例如,用作电子系统中的参考信号。此处,VCXO可以使用从数字信号中导出的电压进行编程。

VCXO还可在控制电压可用来抵消由温度,老化等引起的频率变化的情况下使用。通过这种方式,它们在许多电子电路设计中得到了应用。
VCXO电路
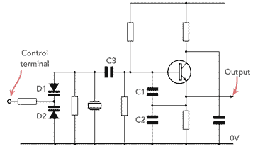
VCXO的基本电路包括一个标准晶体振荡器,但具有一种电子装置,可以对频率进行微调或“拉”。使用变容二极管或变容二极管几乎总是可以实现这一点。在大多数VCXO中,在晶体上放置一对背对背二极管。将反向偏压施加到二极管的阳极,然后将其用作晶体上的可变电容器。在大多数情况下,使用的是Colpitts振荡器电路。

典型的VCXO电路
可以拉动晶体频率的数量取决于多种因素,包括所施加的电容水平,电路状况本身以及晶体。但是,不能将频率拉得太远,因为随着晶体两端电容水平的增加,晶体的活性会降低。如果有必要将VCXO拉至较大范围,则可以在电路中集成一个电感器。
VCXO应用
VCXO用于许多应用程序。这里有一些:
温控晶体振荡器: VCXO用于TCXO-温控晶体振荡器,其中温度补偿电压施加到VCXO的控制端子。通过这种方式,可以大大减少漂移。尽管VCXO的性能仍然不如全烤箱控制的晶体振荡器,但是它能够提供比单个无补偿晶体振荡器更好的性能水平,并且远低于全烤箱控制的晶体振荡器的成本。 。
窄带PLL: 在另一种应用中,VCXO可以用于窄带锁相环,其中仅需要少量的频率变化。在这里,它们能够提供很好的相位噪声。它们可以在此角色中用于信号重构。
其他应用: VCXO用于需要稳定和低相位噪声振荡器的其他电子设计中,可以用相对较小的量进行调整或调整。通常,这些应用出现在各种RF设计以及定时电路中。
VCXO性能
使用这种方法,频率变化大约为35至50 ppm /伏的VCXO数字相当容易实现,而具有这些数字的VCXO非常普遍。
自然地,可以拉低VCXO频率的事实降低了振荡器电路的整体性能。振荡器的相位噪声性能会下降,因为会大大降低谐振器的有效Q值。另外,频率稳定性不是很好。
VCXO的主要问题之一是温度漂移。由于这会在电压控制范围内变化,因此无法针对所有级别的控制电压进行优化,终设计是一个折衷方案。当不使用其他形式的温度补偿而使用时,它们的漂移可能会比其他形式的晶体振荡器大。
-
2026-05-21爱普生SG2016HGN和SG2016HHN是面向下一代高速通信推出
-
2026-05-15新应用浪潮下的SPXO:应对3.2T&NPO&CPO的时钟挑战
-
2026-05-13爱普生车规SPXO、TCXO产品阵容全面满足汽车电子应用对
-
2026-05-12爱普生新型OCXO:以"低功耗"与"高稳定性"重新定义
-
2026-05-09爱普生温补晶振TCXO为网络设备提供高精度时钟核心
-
2026-05-06爱普生晶振FA-238A/FA2016AA/FA1612AA:以太网PHY应用


466009906